Giá:
611,064₫
STATO 593948-8 là phụ tùng chính hãng do Makita Việt Nam cung cấp. Sản phẩm phụ tùng 593948-8 được sử dụng thay thế cho Stato của máy cắt sắt chính hãng thương hiệu Maktec MT243 và máy cắt sắt Makita MT M2401B.
GIAO HÀNG TÂN NƠI
THANH TOÁN ĐẢM BẢO
HỖ TRỢ 24/7
HOÀN TRẢ MIỄN PHÍ
Thông số chi tiết Stato 593948-8
Nhà cung cấp: Makita Việt Nam
Mã phụ tùng: 593948-8
Xuất xứ: Trung Quốc
Phụ tùng thay thế cho máy cắt sắt 355MM Model: MT243, M2401B
Một số hình ảnh thực tế được Tâm An chụp trực tiếp trên sản phẩm Stato 593948-8





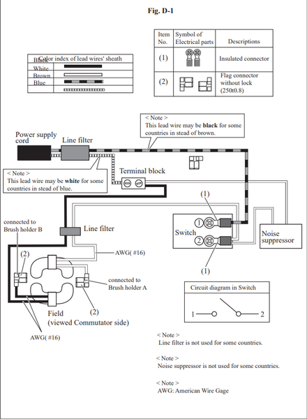
Dưới đây là sơ đồ đấu nối Máy cắt sắt Makita M2401B, quý khách hàng tự đấu nối tham khảo để tránh rủi do hỏng phụ tùng do đấu sai:

Xem video thực tế sản phẩm STATO MT243